起重機在使用過程中,由于種種原因,造成大小車啃軌、傳動機構零部件損壞等一系列不良現象。嚴重影響正常使用。為了確保起重機的安全作業。必須重視對起重機的維修,做到修理效果良好,保證使起重機處在良好的工作條件下工作,為保證修理質量,特制定以下維修工藝。
一、 運行啃軌的修理
發現起重機啃軌后,應詳細檢查啃軌的情況,并測量各有關尺寸,分析并找出啃軌的原因,以便確定修理方案。修理啃軌一般常用的方法是調整和移動車輪。在車輪調整前,首先應將車輪所在的端梁用千斤頂頂起,使車輛懸空,然后進行調整。
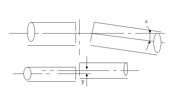
1、車輪水平偏移和垂直偏斜的調整。當車輪滾動面中心線與軌道中心線在水平方向的夾角為α時,(如圖1所示),則車輪與軌道的水平偏斜δ=rtgα,要消除車輪水平偏斜,須使δ=0,可在左邊角型軸承箱的垂直鍵板處加墊板調整,因α較小,故墊板厚度為t=bδ/r
式中:b——車輪與角型軸承箱假的中心距,mm
δ——車輪的水平偏斜量,mm
r——車輪半徑,mm

圖1 車輪調整示意圖
1、 軌道中心線 2、車輪中心線
3、 車輪 4、角型軸承箱
5、 墊板
如果車輪向左偏斜,則在右邊垂直鍵板處加墊即可。車輪垂直偏斜的調整是在水平鍵板處加墊板,鍵板厚度計算與車輪水平偏斜的相同,由于車輪組件是一個整體以及軸承同心性要求等t植增大,一般不應大于2mm。
2、車輪跨距的調整。車輪跨距的調整是在車輪的水平偏斜和垂直偏斜調整好后進行的。調整的方法是:先將車輪組取下來,如果車輪需要向右移動5mm,只要將右邊隔套去掉5mm,而在左邊隔套加長5mm。
因車輪與角型軸承箱的間隙有限,所以其左右移動量不應超過10mm。
3、重新調整車輪的位置。如果車輪位置偏差過大,則會影響到跨距、輪距、對角線以及同一條軌道上兩個車輪中心在水平方向的平行性。因此,需要調整車輪的位置。在調整時,先將車輪拉出來,把車體上的四塊定位鍵板全部鏟開,重新找正,定位。
4、車輪對角線的調整。為了不影響傳動軸的同軸度和減少修理量,在調整中應盡量調整被動輪而不調整主動輪。
5、更換車輪。對主動車輪,可車磨車輪踏面直徑使其相等,或更換車輪。對被動車輪,只要車輪滾動面不出現畸形,對啃軌影響不大時,可不必更換。
6、橋架結構變形引起的啃軌。應優先使用火焰矯正修理橋梁結構的變形,使之符合技術要求。
二、 小車“三條腿”及打滑的修理
1、 小車“三條腿”的修理。
1.1車輪的修理。小車的四個車輪不在同一個平面內,應調整車輪。調整的方法是可鏟開懸空輪的角型軸承箱的水平鍵板,在水平鍵板與端梁彎板之間加入適當厚度墊板來調整車輪的高低。一般情況下,應盡量調整被動輪。
1.2軌道的修理。
A、軌道水平高低偏差的修理。如果小車同側的兩個側車輪在某一段軌道上 運行時交替地不接觸軌道,這就是因橋架主梁所引起的軌道局部凹陷。可用加墊板的方法來調整軌道。當凹陷嚴重時,應首先通過修理主梁的拱度來解決。在修理過程中,如需要鏟開原有軌道壓板時,應盡量避免采用氣割或碳弧氣刨來割開,好使用風鏟。在焊接軌道壓板時,應將小車開到橋架的一端,在可能的條件下設法將橋架的中間部位墊起,以免主梁在焊壓板時再度下撓。
B、軌道直線性的修理。通過拉鋼絲法檢測,如發現某段軌道局部彎曲,可用小千斤頂矯直。校直時,先把軌道壓板松開,在軌道彎曲
大部位的側邊焊一塊定位塊作為千斤頂的定位板。用千斤頂校直道軌,軌道校直后去掉定位板,重新把軌道固定好。
2、小車打滑及小車走斜的修理。要使起重機小車在運行中不打滑,則必須保證驅動輪滾動面上的驅動力小于車輪與軌道間的粘著力T,則(M-KN)r〈T(T=ψR)。式中M為驅動力矩;r為驅動輪半徑;R為輪壓;ψ為粘著系數;K為滾動摩擦系數;N為支反力。如下圖2所示。從上式中也可以看出,車輪出現打滑,可能是輪壓小,可能是粘著系數小,也可能是驅動力矩過大。下面就幾種常見的小車打滑、車體走斜的例子作簡要分析。

車輪受力分析圖
2.1如果小車“三條腿”現象發生在主動輪上時,由于輪壓太小,產生的摩擦力(粘著力)就小,這樣車輛就不能滾動而產生打滑,另外,軌道上有雪、霜、或油污,使車輪與軌道間的摩擦系數減小,從而造成小車打滑,車體走斜。
2.2如果電動機功率選擇過大,驅動力也大,啟動時間過短,會造成小車打滑。同樣,制動器的制動力矩選擇過大,制動時間過短,也會造成小車打滑和車體走斜。
2.3如果兩軌道標高偏差過大,當小車運行一段時間后,車體就會向低軌一側靠,即車體走斜;同一軌道直線性不好,甚至接頭處兩軌道頂面向相反方向扭,小車也會走斜。
總之,凡是有車輪打滑,就會式使車體走斜,造成小車啃軌,使車輪和軌道發生嚴重磨損。
二、主要零部件的調整與修理
1、吊鉤的檢修
1.1吊鉤報廢標準。吊鉤的報廢標準,有下列情況之一時,應報廢:a、吊鉤表面出現裂紋;b、危險端面磨損達原尺寸的10%;c、開口度比原尺寸增大15%;d、扭轉變形超過10%;e、危險斷面或鉤頸部產生塑性
變形;f、板鉤襯套磨損達原尺寸的50%時,應報廢襯套;g、板鉤心軸磨損達原尺寸的5%時,應報廢心軸。
另外,吊鉤不準補焊。
1.2修理方法。吊鉤長期使用中產生的損傷及其解決方法,參見表1。
表1 吊鉤的故障及排除方法
故障 | 產生故障的原因 | 排除方法 |
1、 吊鉤危險斷面的磨損 2、 吊鉤尾部螺紋及其退刀槽、鉤頭表面出現裂紋 3、 吊鉤永久變形 4、 板鉤襯套磨損 | 1、 超期、超載使用或使用不當。 2、 材質缺陷或超載使用。 3、 超載使用產生疲勞。 4、 受力情況不良。 | 1、 當磨損量超過危險斷面高度10%時應更換,如在10%以內,應降低載荷使用。 2、 發現裂紋及時更換。 3、 當開口度比原尺寸增大15%時應更換。 4、 當磨損達原尺寸50%時應更換。 |
1.3吊鉤的檢驗
A、載荷試驗,用于電動橋式起重機起升機構的吊鉤,其試驗載荷,按表2取值。
表2 釣鉤的試驗載荷
額定起重量t | 5 | 6.3 | 8 | 10 | 12.5 | 16 | 20 | 25 | 32 | 40 | 50 | 63 | 80 | 100 | 112 | 125 | 140 |
試驗載荷t | 10 | 12.5 | 16 | 20 | 25 | 31.5 | 40 | 50 | 6 | 70 | 85 | 100 | 120 | 143 | 158 | 172.5 | 189 |
B、釣鉤卸去試驗載荷后,不應有任何明顯的缺陷和變形,開口度的增加是不應超過原尺寸的0.25%。
C、釣鉤應能可靠地支持住2倍的試驗載荷而不脫落。
2、滑輪組
2.1、滑輪組的檢修。滑輪組應每月進行一次檢查。檢查的內容包括;a、正常工作的滑輪用手能靈活轉動,側性擺動不得超過D/1000,其中D為滑輪的名義直徑;b、滑輪上是否有裂紋或輪緣部分是否有破碎;c、檢查滑輪槽的磨損情況;d、檢查軸承的潤滑情況;e、檢查滑輪、軸、掛架的緊固情況。
2.2、滑輪的報廢標準。金屬鑄造的滑輪出現在下列情況之一時,則應報廢:a、滑輪出現裂縫;b、輪槽不均勻磨損達3mm;c、輪槽比厚度磨損達原壁厚的20%;d、輪槽底徑的磨損量超過鋼絲繩直徑的25%;e 、其他損壞鋼絲繩的缺陷。
2.3修理方法。滑輪組的常規故障及排除方法見表3
表3滑輪組故障及排除方法
故障 | 產生故障的原因及后果 | 排除方法 |
1÷滑輪槽磨損不均 2、 輪槽壁磨損 3、 槽底徑向磨損 4、 滑輪出現裂紋 5、 滑輪轉不動 6、 滑輪傾斜松動 | 1、 材質不均,安裝不符合要求,繩、輪接觸不均勻 2、 鋼絲繩脫槽 3、 鋼絲繩磨損 4、 滑輪破碎 5、 軸與軸套沒有潤滑油 6、 軸上定位件松動 | 1、 不均勻磨損超過3mm時,應予以更換。 2、 壁厚磨損量達原厚度的20%時,應更換。 3、 磨損量超過繩徑的25%時應更換。 4、 拆開清洗潤滑部位,保證所需的潤滑油。 5、 調整、緊固定位。 |
3、鋼絲繩
3.1鋼絲繩的報廢標準。鋼絲繩的報廢標準是根據鋼絲繩的表面磨損及腐蝕以及斷絲情況來決定的。鋼絲繩的報廢標準見表4。
表4 鋼絲繩的報廢標準
鋼絲繩安全系數或起重機工作類型 | 鋼絲繩結構形式 | |||
6W(19),6×(19)(GB1102-74) | 6×37(GB1102-74) | |||
交互捻 | 同向捻 | 交互捻 | 同向捻 | |
一個捻距上的斷絲數 | ||||
〈6(輕、中級) | 12 | 6 | 22 | 11 |
6(重級) | 14 | 7 | 26 | 13 |
表4中一個捻距即為一股鋼絲繩捻繞一周的軸向距離。而斷絲數是指鋼絲繩每股內的細鋼絲而言,粗鋼絲繩每根按相當于1.7根細鋼絲繩折算。
吊運熔化或熾熱金屬,酸溶液、易燃易爆物及有毒物品等的鋼絲繩,其報廢標準為表4中數值的一半。
如有一股鋼絲繩斷掉,則鋼絲繩應報廢。
當鋼絲繩外層鋼絲的磨損或腐蝕超過鋼絲直徑的40%時,鋼絲繩應報廢。這個40%是指純粹磨損而無斷絲的情況,如果既有斷絲又有磨損,則應按表5折算后決定。
表5折算系數表
斷絲表面磨損或腐蝕量(%) | 10 | 15 | 20 | 25 | 30-40 | 大于40 |
折算系數(%) | 85 | 75 | 70 | 60 | 50 | 0 |
4 、卷筒組
4.1卷筒的檢修
A、檢查卷筒上有無裂紋,有裂紋時不許補焊,應更換。
B、檢查卷筒溝槽的磨損情況,磨損深度較原卷筒壁厚減小20%時應更換(可以在槽底部打眼測量)。
C、有個別卷筒經過一定磨損后,漏出了原有的內在鑄造缺陷,如果是單個氣孔或砂眼,其直徑小于8mm,深度小于該壁厚名義尺寸20%,而絕對值還不超過4mm,在10mm長度上(任何方向)不超過一處;在卷筒加工表面上的總數不多于5處時,可以不必焊補而繼續使用。當缺陷清理后,其大小在表中所列的范圍內時,可以焊補,且在同一斷面上的長度為100mm內不多于兩處,焊補后可以不經熱處理,只需用砂輪磨平磨光焊補處即可使用。
表6 卷筒允許補焊條件
材質 | 卷筒直徑(mm) | 單個缺陷面積(cm2) | 缺陷深度 | 總數量 |
鑄鐵 球鐵 | ≤700 | ≤2 | ≤25%壁厚 | ≤5 |
>700 | ≤2.5 | |||
鑄鋼 | ≤700 | ≤2.5 | ≤30%壁厚 | ≤8 |
≥700 | ≤3 |
D、檢查鋼絲繩在卷筒上的固定情況,壓板連接是否牢固,螺栓是否齊全,有無松動。
E、個潤滑部位必須定期檢查和定期注油。
5、減速機
5.1減速器的檢修。
A÷經常檢查減速器的地腳螺栓,不得有松動現象。
B÷要監聽減速器齒輪的聲音,應均勻而輕快,不得有噪音及撞擊聲音,一旦發現應及時消除。
C÷檢查減速器箱體發熱(可用手觸摸),特別是個軸承處,如果發現溫度超過周圍空氣溫度40°C,絕對值超過80°C時應停止使用。
D、檢查軸承是否有損壞,齒輪或軸承是否缺乏潤滑脂,負載持續時間是否太長,旋轉是否有卡住等情況,有時是因調整圓錐輥子軸承的調整螺釘擰的太緊,致使錐面間沒有游隙而造成的。調整方法是先把調整螺釘擰緊,再往回旋轉,旋轉的角度應根據螺紋螺距而定,螺距為2mm時可旋回30°,螺距為1mm時可旋回60°,即使調整螺釘在軸上移動0.1—0.2mm為宜。調整好后再用止動墊片固定好。
E、檢查減速器的密封情況,有無漏油或滲油現象,如果發現減速器箱體的開合面及悶蓋與箱體聯接處漏油,采用涂密封膠的措施比較有效。在打開重涂時,原涂層可用玻璃或用醋酸乙脂和汽油各50%混合液清洗,消除干凈后再重涂。若箱體變形,則在不影響孔徑的條件下,可刮平開合面再涂密封膠。另外,還應注意油量是否符合要求,不足時應添加。
F、減速器應定期更換潤滑油(0.2--2年),并定期檢查(3—6個月)潤滑油.如發現潤滑油變質,應及時更換.
5.2齒輪的報廢標準.齒輪出現下列缺陷之一時,應報廢:a、齒根上有一處或數處疲勞裂紋;b、斷齒;c、齒面點蝕損壞達嚙合面的30%,且深度達原尺厚的10%時;d、齒厚的磨損量達表7所列數值時;e、調運炙熱金屬或易燃易爆等危險品的起升機構及變幅機構,其傳動齒輪的磨損限度答本條中cd項中數值的50%時。
表7 齒輪允許磨損量
傳動齒輪的類別 | 齒厚磨損量達原尺厚的百分比 | ||
①級嚙合 | 其它級嚙合 | ||
閉式 | 起升機構 | 10 | 20 |
其它機構 | 15 | 25 | |
開式齒輪傳動 | 30 | ||
6、 聯軸器
6.1聯軸器的檢修
a÷聯軸器的安裝精度。其軸線的允許傾斜角,如圖3(a)所示中的ψ,對于齒輪聯軸器ψ不應超過0°30′,對于彈性圓柱銷聯軸器ψ不應超過0°40′。兩軸線的徑向位移,如圖3(b)所示中的Y,對于齒輪聯軸器不得超過表8中規定的數值;對于彈性圓柱銷聯軸器不得超過表9中規定的數值。
對于采用中間軸聯結的聯軸器,其徑向位移量Y的大值不應超過0.00873A,A、為兩端外齒套齒中心線間距。

表8 齒輪聯軸器的徑向位移量Y