摘要:橋式起重機作為重要的起重機械,是生產生活中不可缺少的。橋式起重機由橋架、大車運行機構、小車運行機及起升機構組成。橋式起重機的各部分動作都是通過電氣進行控制的,本次論述通過各機構的工作要求對橋式起重機的電氣控制電路進行分析,希望能夠對橋式起重機能夠有進一步的了解。
關鍵詞:橋式起重機、電氣控制、故障
前言:隨著現代機械制造技術的不斷發展,機械設備在工業企業中的作用和地位越來越重要。橋式起重機作為現代化生產不可缺少的機械設備,由于作業環境復雜,工作方式特殊,發生故障的概率很高,起重機帶病運轉的現象普遍存在。通過對橋式起重機控制電路的分析,能夠對橋式起重機的保養、維修起到積極作用。
一、起重機電器控制電路
1.1起重機結構及工作要求
起重機是一種用來起吊和下放重物,以及在固定范圍內裝卸、搬運物料的起重機械。它廣泛應用于工礦企業、車站、港口、倉庫、建筑工地等場所,是現代化生產不可缺少的機械設備。
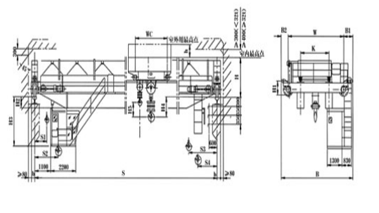
1.1.1橋式起重機的結構簡介
橋式起重機主要由橋架、大車運行機構和裝有起升、運行機構的小車及電氣部分組成。橋式起重機結構簡圖如同1-1所示
機架是橋式起重機的基本構件,主要由主梁、端梁和走臺等部分組成。主梁上鋪設有供小車運行的鋼軌,兩主梁的外側裝有走臺,裝有駕駛室一側的走臺為安裝及檢修大車運行機構而設,另一側走臺為安裝小車導電裝置而設。在主梁一端的下方懸掛著全視野的駕駛室。
大車運行機構由驅動電機、制動器、減速器和車輪等部件組成。常見的驅動方式有集中驅動和分別驅動兩種,目前我國生產的橋式起重機大多采用分別驅動方式。分別驅動方式指的是用一個控制電路同時對兩臺驅動電動、減速裝置和制動器實施控制,分別用來驅動安裝在橋架兩端的大車車輪。
小車由安裝在小車架上的運行機構和起升機構組成。小車運行機構也由驅動電動機、減速機、制動器和車輪組成,在小車運行機構的驅動下,小車可沿橋架主梁上的軌道移動。小車起升機構用以吊運重物,它有電動機、減速器、卷筒、制動器組成。起重量超過10t時,設兩個提升機構:主鉤和副鉤,一般情況下兩個鉤不能同時起吊重物。

圖1-1
1.1.2橋式起重機的工作類型
起重機的工作類型是表明起重機繁重程度的參數,所謂繁重程度是指起重機工作在時間方面的繁忙程度與受載方面的輕重程度。
a. 輕級:起重機停歇時間較大,工作次數少,很少滿負載工作,適用于裝配、修理車間等場所。
b. 中級:起重機經常處于不同負載下工作,工作次數中等,適用于機械工廠中金工車間等場所。
c. 重級:起重機經常處于滿負載情況下工作,工作次數頻繁,常用于建筑工地等場所。
d. 特重級:起重機基本上處于滿負載情況下工作,工作次數頻繁,環境 溫度高,常用于冶金生產車間。
橋式起重機起重量:小型為5—10t,中型為10—50t,重型為50t以上。大車運行速度為100—135m/min,小車運行速度為40—60m/min,起升機構取物裝置上升大速度為30m/min。
1.2電氣控制要求
1.2.1起升機構的控制要求
(1)空鉤能快速升降,輕載的起升速度應大于額定負載時的起升速度,以減少輔助工作時間;
(2)應具有一定的調速范圍,普通起重機調速范圍為3:1,要求較高的起重機調速范圍可達5:1—10:1;
(3)具有適當的低速區,一般在30%額定速度內應分為幾檔,以便靈活操作;
(4)起升檔的作用是為了消除傳動間隙,將鋼絲繩張緊,我們稱之為預備級。這一檔的電動機,起動轉矩不能過大,以免產生過強的機械沖擊,一般在額定轉矩的一半以下。
(5)在負載下降時,根據負載的大小,起升電動機可以工作在電動、倒拉制動、回饋制動等工作狀態下,以滿足對不同下降速度的要求。
(6)為確保設備和人身安全,起重機采用斷電制動方式的機械抱閘制動,以避免因停電造成無制動力矩,導致重物自由下落引發事故。同時也還要具備電氣制動方式,以減小機械抱閘的磨損。
大車小車的運行機構,只要求具有一定的調速范圍和分幾檔控制。起動的級也應具有消除傳動機構間隙的作用。為了起動平穩和準確停車,要求能實現恒加速和恒減速控制。停車應采用電氣和電磁機械雙重制動。
采用電磁鐵式制動器,要求電動機通電時,制動電磁鐵也通電,閘靴松開,電動機旋轉。當電動機停止工作時,制動電磁鐵同時失電,閘輪緊抱在制動輪上,達到斷電制動的目的。
1.2.2起重機的供電方式
起重機工作時是經常移動的,故不能采用固定連接的供電方式。常用的供電方式,一種是用軟電纜供電,起重機移動時,軟電纜也隨著伸展與疊卷,此種供電方式僅適用于小型起重機。另一種供電方式是采用滑線和集電器(電刷)傳送電能。滑線一般采用圓鋼、角鋼或輕軌做成。接上車間低壓供電電源、沿車間長度方向敷設的滑線為主滑線,通過集電器將主滑線上的電能引入到大車的保護框內,為安裝在大車上的電控設備供電。對小車和起升機構的電動機及其它電器的用電,則由沿大車敷設的滑線和小車上裝置的集電器來完成。
二、控制線路圖的原理分析
這里以20/5t橋式起重電氣控制電路為例進行分析。該起重機有兩個卷揚機構,主鉤起重量為20t,副鉤起重量為5t。電路由兩大部分組成:凸輪控制器控制大車、小車、主副鉤等五臺電動機的電路;用GQR-GECDD型保護柜保護五臺電動機正常工作的保護控制電路。
20/5t橋式起重機的電路原理和元器件明細表分別見圖2-1和表2-1所示。
表2-1
代號 | 元件名稱 | 型號 | 規格 | 數量 |
M1 | 副鉤電動機 | YZR-200L-8 | 15KW | 1 |
M2 | 小車電動機 | YZR-132MB-6 | 3.7KW | 1 |
M3,M4 | 大車電動機 | YZR-160MB-6 | 7.5KW | 2 |
M5 | 主鉤電動機 | YZR-315M-10 | 75KW | 1 |
AC1 | 副鉤凸輪控制器 | KTJ1-50/1 | 1 | |
AC2 | 小車凸輪控制器 | KTJ1-50/1 | 1 | |
AC3 | 大車凸輪控制器 | KTJI-50/5 | 1 | |
AC4 | 主鉤主令控制器 | LK1-12/90 | 1 | |
YB1 | 副鉤電磁抱閘制動器 | MZD1-300 | 單相 AC,380V | 1 |
YB2 | 小車電磁抱閘制動器 | MZD1-100 | 單相 AC,380V | 1 |
YB3,YB4 | 大車電磁抱閘制動器 | MZD1-200 | 單相 AC,380V | 2 |
YB5,YB6 | 主鉤電磁抱閘制動器 | MZS1-45H | 三相 AC,380V | 2 |
1R | 副鉤電阻器 | 2K1-41-8/2 | 1 | |
2R | 小車電阻器 | 2K1-12-6/1 | 1 | |
3R,4R | 大車電阻器 | 4K1-22-6/1 | 2 | |
5R | 主鉤電阻器 | 4P5-63-10/9 | 1 | |
QS1 | 電源總開關 | HD9-400/3 | 1 | |
QS2 | 主鉤電源開關 | HD11-200/2 | 1 | |
QS3 | 主鉤控制電源開關 | DZ5-50 | 1 | |
QS4 | 緊急開關 | A-3161 | 1 | |
SB | 啟動按鈕 | LA19-11 | 1 | |
KM | 主交流接觸器 | CJ20-300/3 | 300A,線圈電壓380v | 1 |
KA0 | 總過電流繼電器 | JL4-150/1 | 1 | |
KA1 | 副鉤過電流繼電器 | JL4-40 | 1 | |
KA2-KA4 | 大車、小車過電流繼電器 | JL4-15 | 1 | |
KA5 | 主鉤過電流繼電器 | JL4-150 | 1 | |
KM1,KM2 | 主鉤正反轉交流接觸器 | CJ20-250/3 | 250A, 線圈電壓380v | 2 |
KM3 | 主鉤抱閘接觸器 | CJ20-75/2 | 45A, 線圈電壓380v | 1 |
KM4,KM5 | 反接電阻切除接觸器 | CJ20-75/3 | 75A, 線圈電壓380v | 2 |
KM6-KM9 | 調速電阻切除接觸器 | CJ20-75/3 | 75A, 線圈電壓380v | 4 |
KV | 欠電壓繼電器 | JT4-10P | 1 | |
代號 | 元件名稱 | 型號 | 規格 | 數量 |
FU1 | 電源控制電路熔斷器 | RL1-15/5 | 15A,熔體5A | 2 |
FU2 | 主鉤控制電路熔斷器 | RL1-15/10 | 15A,熔體10A | 2 |
SQ1-SQ4 | 大、小車限位開關 | LK4-11 | 4 | |
SQ5 | 主鉤上升限位開關 | LK4-31 | 1 | |
SQ6 | 副鉤上升限位開關 | LK4-31 | 1 | |
SQ7 | 艙門安全開關 | LX2-11H | 1 | |
SQ8,SQ9 | 橫梁欄桿門安全開關 | LX2-111 | 2 |
2.1 20/5t橋式起重機電氣設備及保護裝置
橋式起重機的大車橋架跨度較大,兩側裝置兩個主動輪,分別由兩臺同型號、同規格的電動機M3和M4驅動,兩臺電動機的定子并聯在同一電源上,由凸輪控制器AC3控制,沿大車軌道縱向兩個方向同速運動。限位開關SQ3和SQ4作為大車前后兩個方向的終端限位保護,安裝在大車端梁的兩側。YB3和YB4分別為大車兩臺電動機的電磁抱閘制動器,當電動機通電時,電磁抱閘制動器的線圈得電,使閘瓦與閘輪分開,電動機可以自由旋轉;當電動機斷電時,電磁抱閘制動器失電,閘瓦抱住閘輪使電動機被制動停轉。
小車運行機構由電機M2驅動,由凸輪控制器AC2控制,沿固定在大車橋架上的小車軌道橫向兩個方向運動。YB2為小車電磁抱閘制動器,限位開關SQ1、SQ2為小車終端限位提供保護,安裝在小車一軌道的兩端。
副鉤升降由電動機M1驅動,由凸輪控制器AC1控制,YB1為副鉤電磁抱閘制動器,SQ6為副鉤提供上升限位保護。
主鉤升降由電動機M5驅動,由主令控制器AC4配合交流電磁控制柜(PQR)控制。YB5、YB6為主鉤電磁抱閘制動器,限位開關SQ5為主鉤提供上升限位保護。
起重機的保護環節由交流保護控制柜和交流電磁控制柜來實現,各控制電路用FU1、FU2作為短路保護。總電源及各臺電動機分別采用過電流繼電器KA0-KA5實現過載和過流保護(過電流繼電器的整定值一般為被保護的電動機額定電流的2.25至2.5倍)。
操作室艙門蓋上裝有艙門安全開關SQ7,在橫梁兩側欄桿門上分別裝有橫梁欄桿門安全開關SQ8、SQ9,為了發生緊急情況時能立即切斷電源,在保護控制柜上裝有緊急開關QS4。以上各開關在電路中均使用常開觸頭與副鉤小車、大車的過流繼電器及總過流繼電器的常閉

圖2-1 20/5t橋式起重機的電路原理
觸頭相串聯。當操作室艙門或橫梁欄桿門開啟時,主交流接觸器KM將不能獲電運行。
2.2 主交流接觸器KM的控制
將副鉤、小大車凸輪控制器的手柄置于“0”位,聯鎖觸頭AC1-7、AC2-7、AC3-7(9區)處于閉合狀態,關好橫梁欄桿門(SQ8、SQ9閉合)及駕駛艙門(SQ7閉合),合上緊急開關QS4,按下啟動按鈕SB,交流接觸器KM線圈得電,主觸點閉合,兩副常開輔助觸點閉合自鎖。
KM線圈得電路徑:

KM吸合將兩相電源(U12、V12)引入各凸輪控制器,另一相電源經總過電流繼電器KA0后(W13)直接引入各電動機定子接線端。此時由于各凸輪控制器手柄均在零位,電動機不會運轉。
2.3 主鉤控制電路
主鉤電動機采用主令控制器配合電磁控制柜進行控制,主令控制器類似凸輪控制器,其觸頭開表如圖2-1(d)。
2.3.1 主鉤啟動準備
將主令控制器AC4手柄置于零位,觸頭S1(18區)處于閉合狀態,合上電源開關QS1(1區)、QS2(12區)、QS3(16區),接通主電器好玩控制器電源。此時欠電壓繼電器KV線圈(18區)得電吸氣,其常開觸頭(19區)閉合自鎖,為主鉤電動機M5啟動控制做好準備。(KV為電路和提供失壓與欠壓保護以及主令控制器的零位保護)
2.3.2 主鉤上升控制
它由主令控制器AC4通過接觸器控制,控制流程如下:

若將AC4手柄逐級扳向“2”、“3”、“4